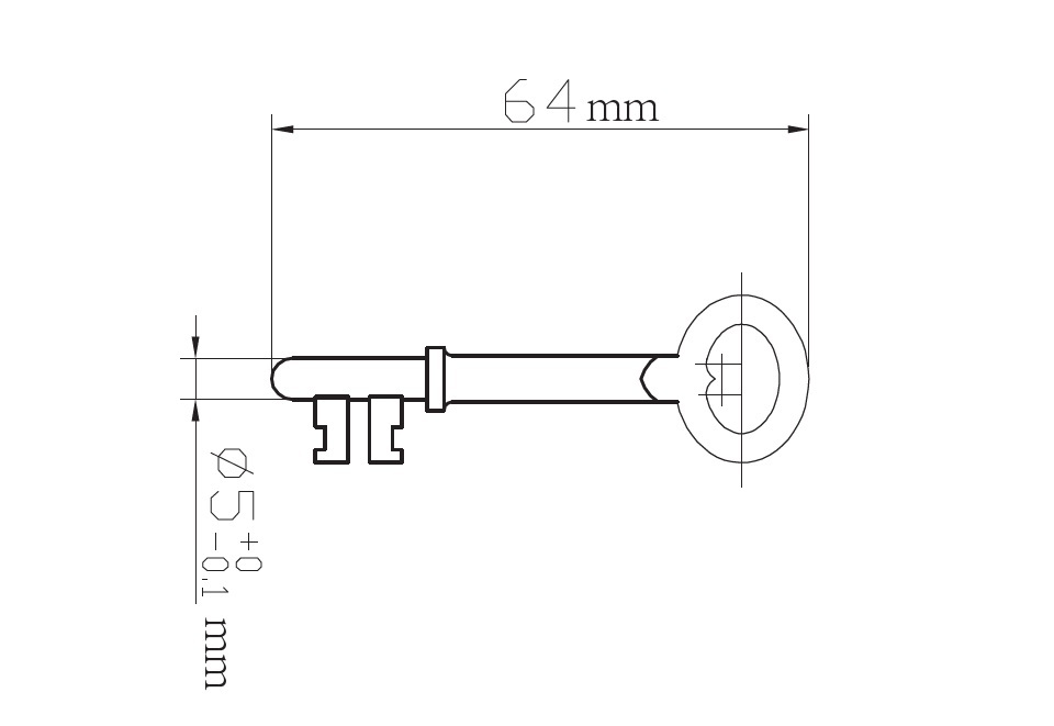
Zamak Key F/Lock 2014, Nickel Plated

Artikelnummer 14.10.293-1