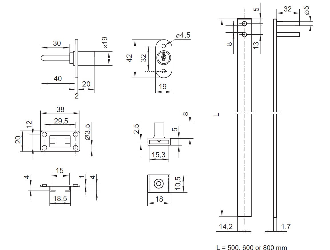
# Cent. Lock 1018/600mm, ø19x20mm, 40mm Tail, CPL, HCK CPH, Pegs, Complete W/1x600mm Locking Bar, 2 x Metal Bar Guides & 3x8mm Adjustable Pegs, 80 Key Combinations
Artikelnummer 14.03.165-0
DOWNLOAD
| Herunterladen | Name |
|---|---|
| 14.03.165-0-productsheet.pdf | |
| 14.03.165-0-Reach Declaration.pdf |