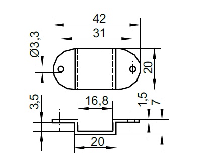
Bar Guide 0957.035 Black-Polyamide

Artikelnummer 14.05.681-0