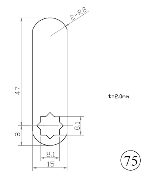
Cam No. 75 For 1900 Series, Straight 47mm C/E

Artikelnummer 14.04.375-0