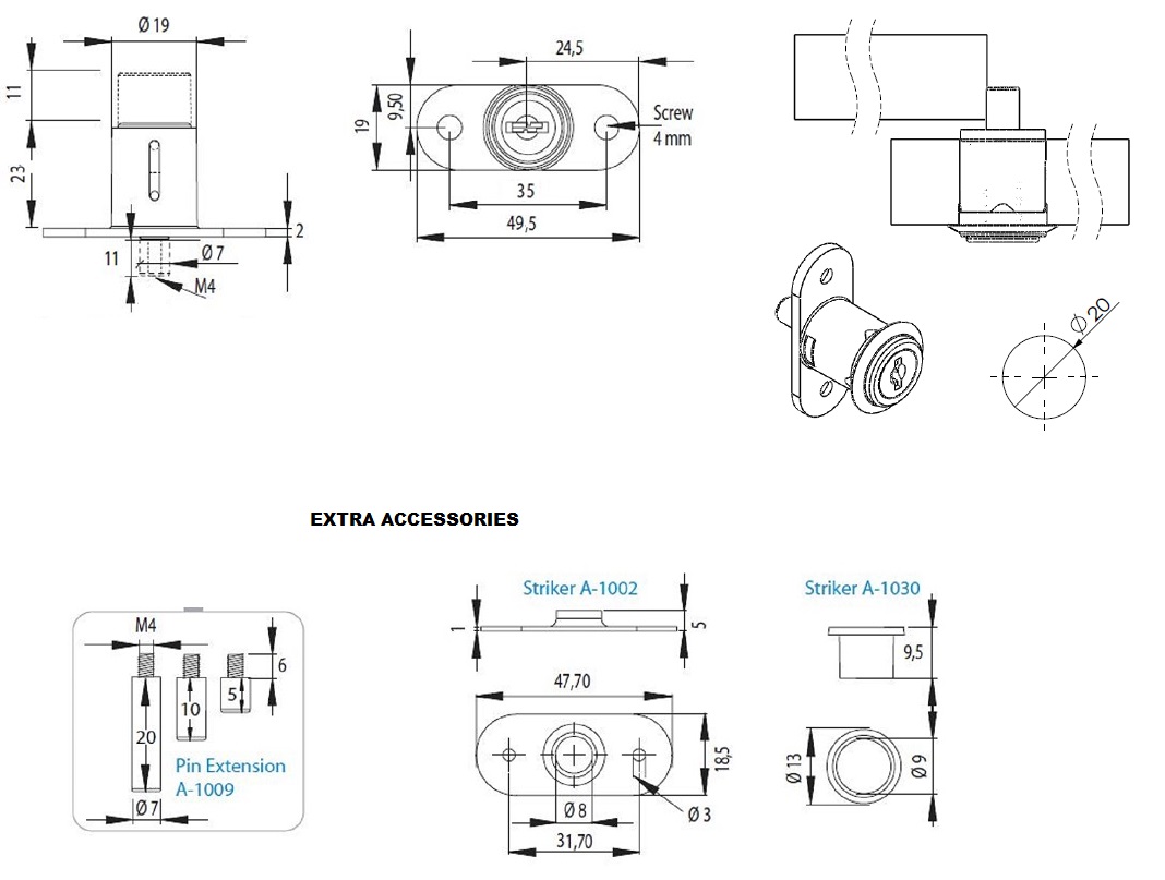
Push Button Lock 1003, ø19x23mm, NPL, CK SISO

Artikelnummer 14.03.030-2