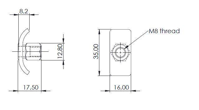
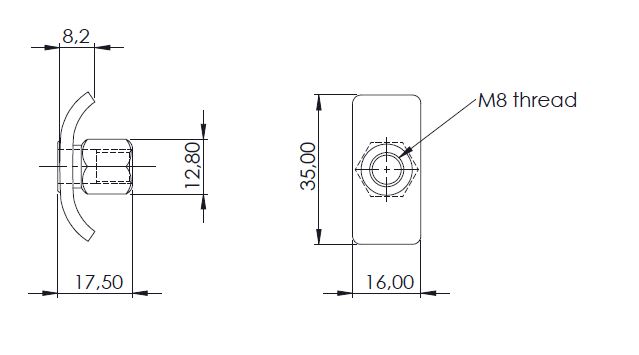
Metal Washer M8, Yellow Zinc Plated

Artikelnummer 11.04.242-1