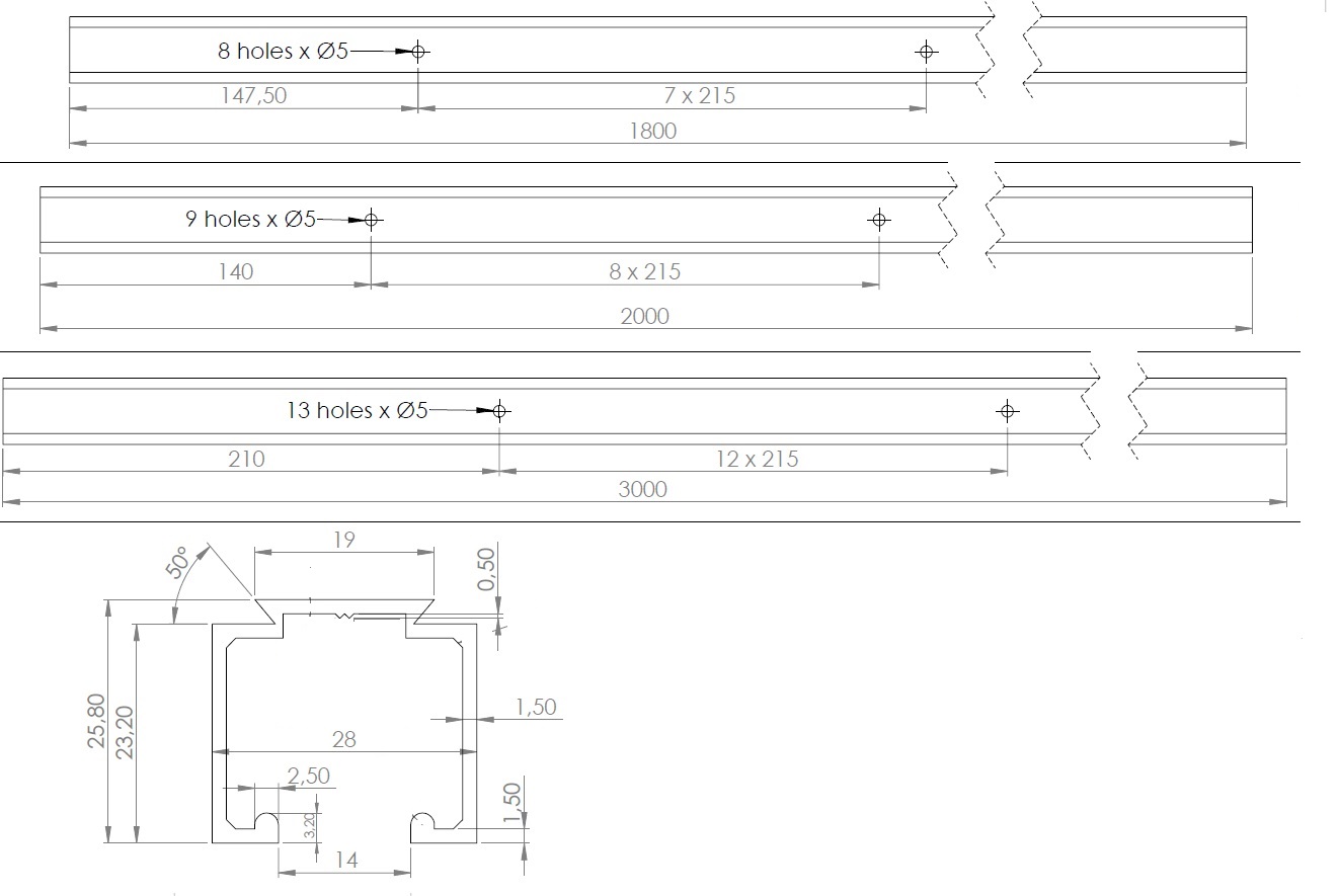
Alu Profile-Milled,28x25,8x2000mm, F/Sliding System K1002, W/9 Screw Holes ø5mm
Artikelnummer 28.25.211-1
DOWNLOAD
| Herunterladen | Name |
|---|---|
| 28.25.211-1-productsheet.pdf | |
| Sliding door system K1002 brochure.pdf |
| Herunterladen | Name |
|---|---|
| 28.25.211-1-productsheet.pdf | |
| Sliding door system K1002 brochure.pdf |