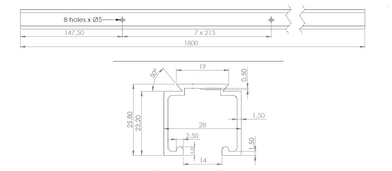
Alu Profile-Milled,28x25,8x1800mm, F/Sliding System K1002, W/8 Screw Holes ø5mm

Artikelnummer 28.25.213-1