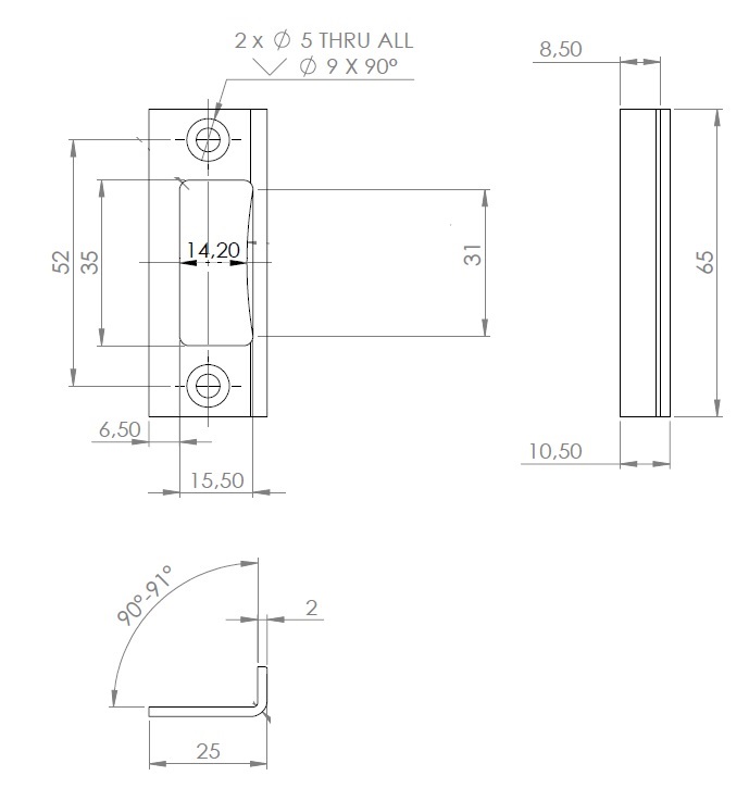
Lock Striker Plate for Zapp System, Black Anodized

Artikelnummer 28.25.305-4

DOWNLOAD