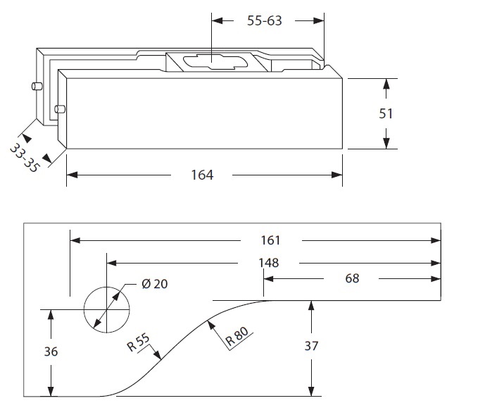
Cover Plates Brushed SS-304, F/"Zip" Body 17.87.350/351/352, (PF10, PF20, PF30)

Artikelnummer 17.87.561-8

DOWNLOAD