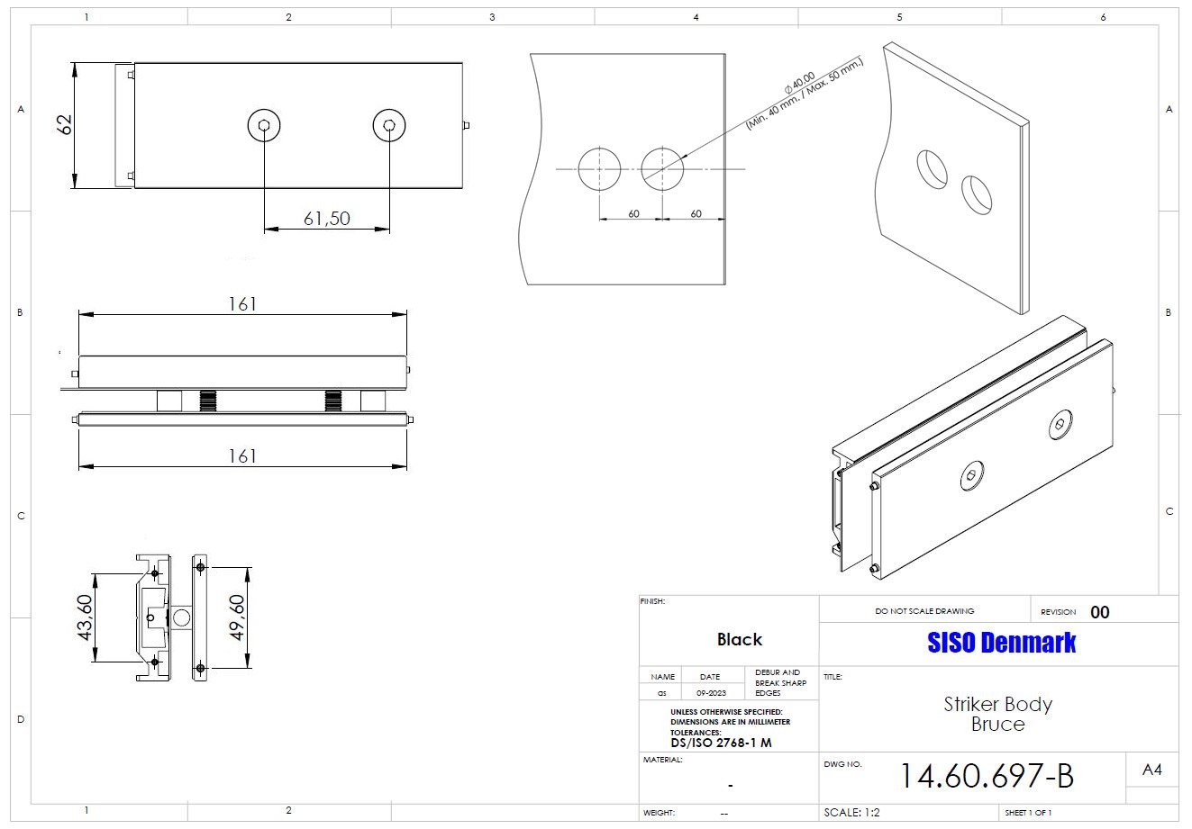
Zamak Striker Body, Large, For "Bruce" (44-50)

Artikelnummer 14.60.697-9

DOWNLOAD